BPTF140法兰输入型直角减速机

BPTF系列法兰输入型伺服转向器,采用转角结构,高精度螺旋伞齿轮和双锥形轴承支撑,特别适用于输出端负载变化大的应用场合。

BPTF系列减速比范围:1~500,输出端形式:双出力轴输出、单出力轴输出、中空轴输出、中空轴带夹紧箍输出等

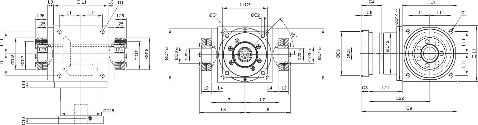
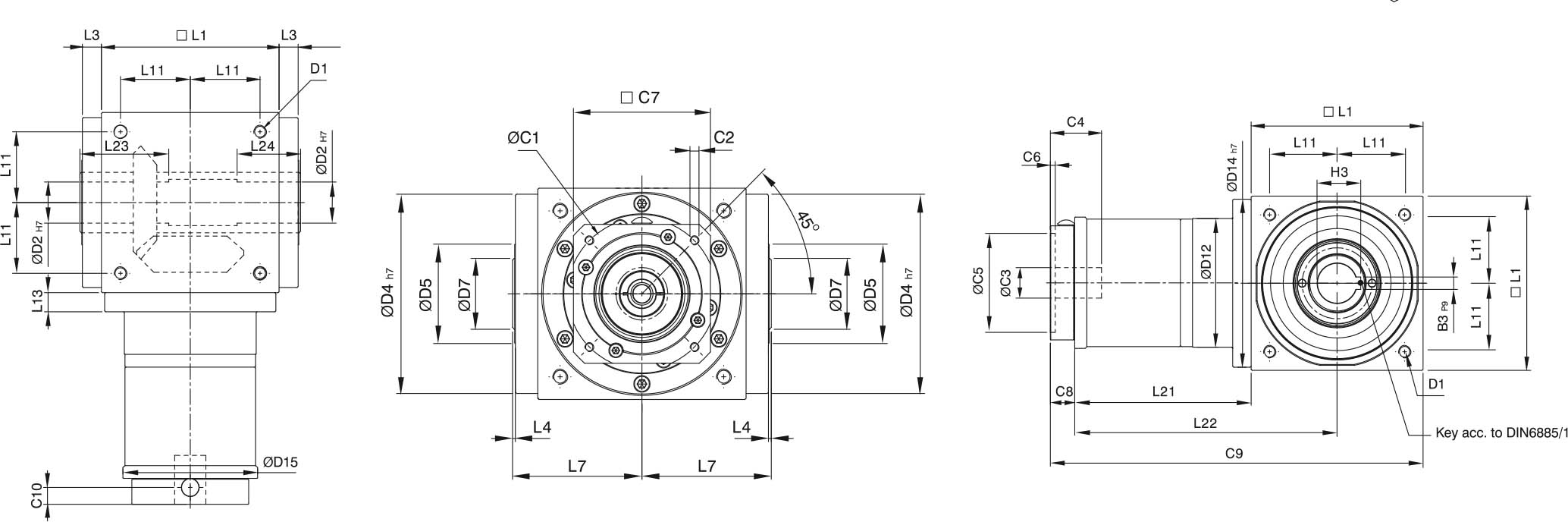
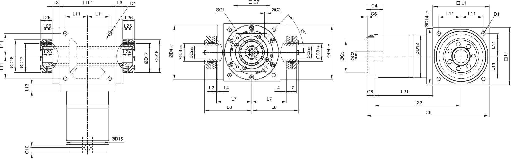
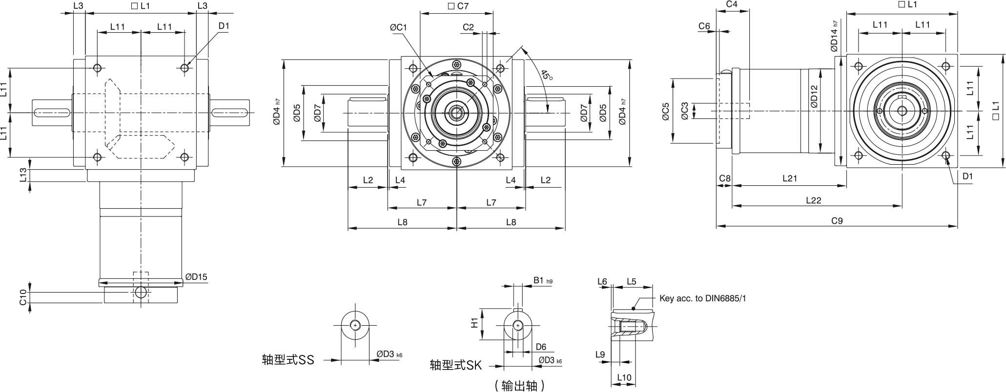
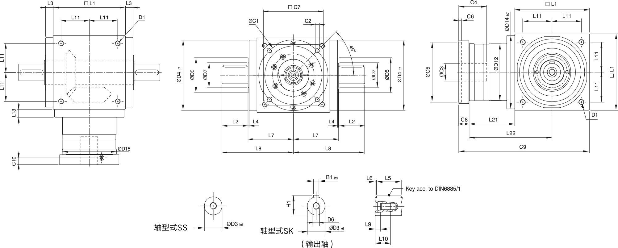
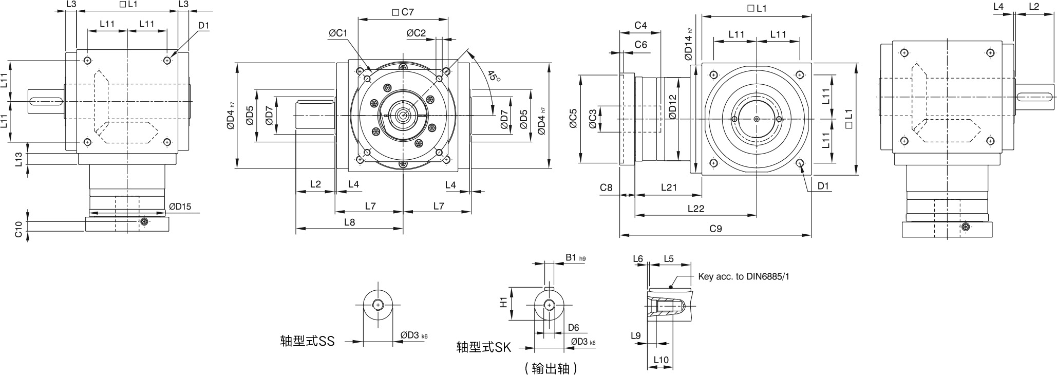
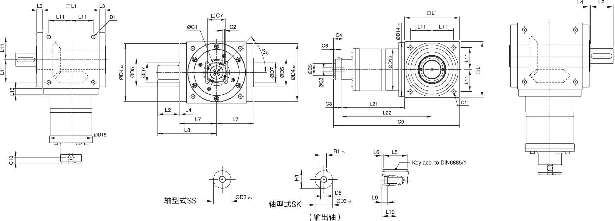
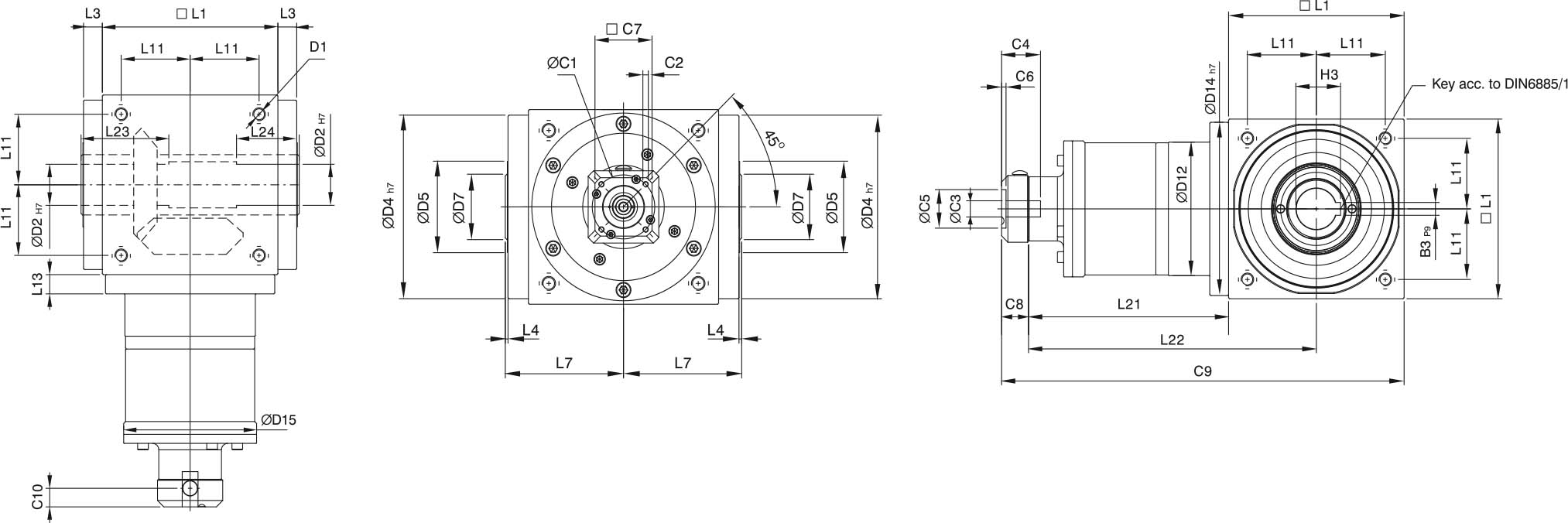
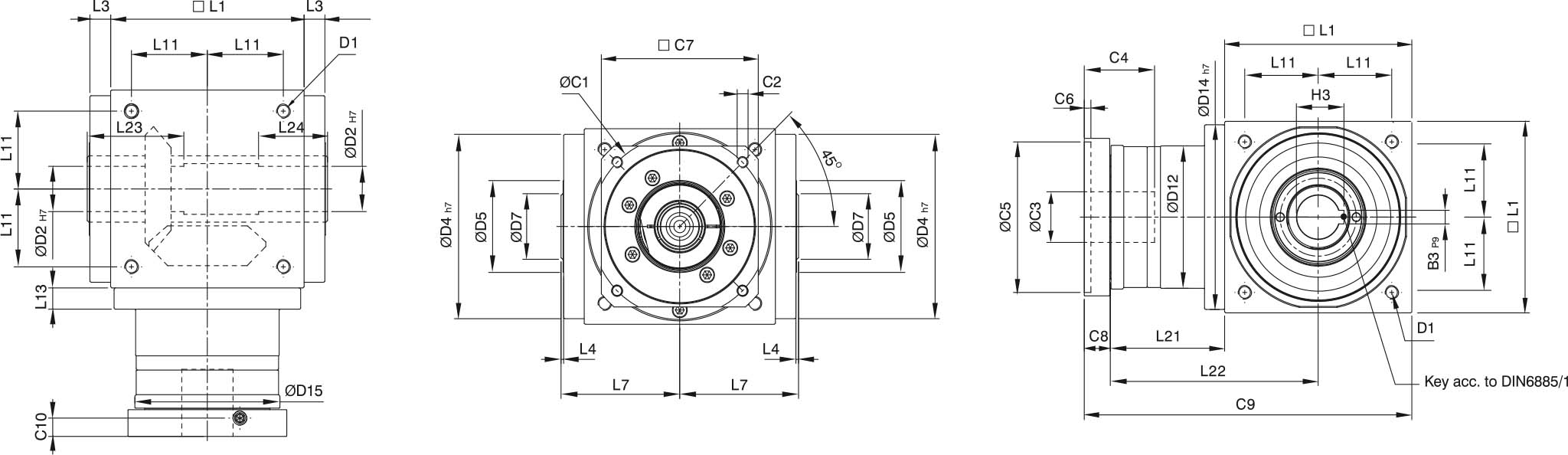
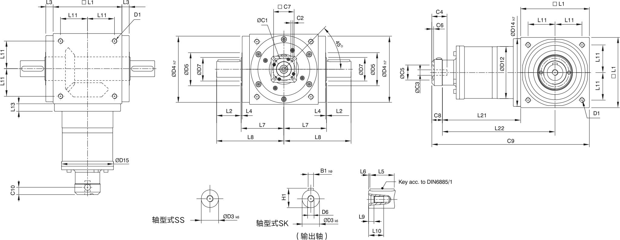
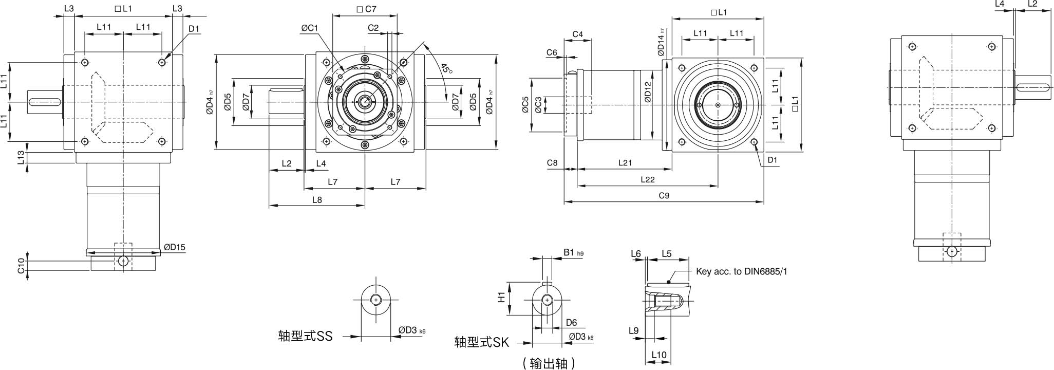
结构尺寸

65 75 90 110 140 170 210 240 280

您是否想了解更多?

如需要了解更多CAD数据或3D模型,请直接与我们BUPERMANN联系:

  • 技术参数
  • 转动惯量
  • 安装尺寸图
  • 获取报价
技术参数段数减速比BPTF065BPTF075BPTF090BPTF110BPTF140BPTF170BPTF210BPTF240BPTF280
额定输出扭矩NmL11254578150360585130021503200
L11.5254578150360585130021503200
L12244268150330544122020103020
L13183354120270450102016502850
L1413284810022437686014102300
L151225408519632074012102000
L27121233919191195358358
L210242868150208208430846846
L21518335712027031264512691269
L22013284810022437686014101692
L2251225408519632074012102000
L2351225408519632074012101790
L2501225408519632074012101465
L375///12021031258512691269
L3100///10022437678014101292
L3125///8519632074012102000
L3150///120135312390975975
L3200///10018037652013001300
L3250///8519632065012101625
L3350///8519632065012101790
L3500///8519632065012101465
急停扭矩L1~L3rpm1.5倍额定输出转矩
最大输入转数L1~L3rpm7500-80006500-80005500-60004500-80003500-80003000-60002200-60002000-60001700-6000
背隙L1~L3arcmin6-86-86-86-106-106-106-106-106-10
容许径向力(输出轴)L1~L3N90011001700270048006600115001600018000
容许轴向力(输出轴)L1~L3N450550850135024003300575085009000
工作寿命L1~L3hr≥20000
满载时效率L1~L3%94-98
工作温度L1~L3°C-10ºC ~ 90ºC
重量L1~L3kg2.8-3.24.4-4.87.1-8.112.1-13.920.9-24.236.1-38.869.4-74.1101.2-112.4158.3-171.0
运行噪音L1~L3dB≤71≤72≤76≤77≤78≤79≤81≤83≤84
技术参数单位减速比BPTF065BPTF075BPTF090BPTF110BPTF140BPTF170BPTF210BPTF240BPTF280
转动惯量kg.cm210.511.303.147.6223.5459.09195.96365.38787.63
1.50.461.152.806.6519.3449.38156.02279.62584.28
20.441.102.686.2317.7245.44140.80245.78500.26
30.431.092.646.0817.1644.11135.51233.75471.56
40.431.082.636.0517.0343.79134.14230.77464.76
50.431.082.636.0416.9943.39133.71229.71462.08
70.150.150.502.792.792.799.9129.2629.26
100.150.150.502.802.802.809.9629.4329.43
150.150.150.502.802.802.809.9629.4329.43
200.150.150.502.802.802.809.9629.4329.43
250.150.150.502.802.802.809.9629.4329.43
350.150.150.502.792.792.799.9129.2629.26
500.150.150.502.792.792.799.8929.2029.20
75///0.150.150.500.502.802.80
100///0.150.150.500.502.802.80
125///0.150.150.500.502.802.80
150///0.150.150.500.502.792.79
200///0.150.150.500.502.792.79
250///0.150.150.500.502.792.79
350///0.150.150.500.502.792.79
500///0.150.150.500.502.792.79
  • BPTF-DL

  • BPTF-L/R

  • BPTF-H

  • BPTF-C

单节 减速比 1~5

单节 减速比 7~50

单节 减速比 75~500

单节 减速比 1~5

单节 减速比 7~50

单节 减速比 75~500

单节 减速比 1~5

单节 减速比 7~50

单节 减速比 75~500

单节 减速比 1~5

单节 减速比 7~50

单节 减速比 75~500

您的需求类型*

您的应用

您的需求的产品 *

姓名*

电话 *

电子邮箱 *

你的需求 *

行业应用

更多可用的伺服转角减速机

BPT系列伺服转向器

高扭矩低背隙长寿命隔为一体的多输出轴减速机

  • 减速比

    1-5

  • 额定扭矩

    12-3200 Nm

  • 回程间隙

    6 arcmin

  • 输入转数

    1700-7500 rpm

  • 径向力

    900-18000 N

结构尺寸

BPTA系列伺服转向器

一款高精密型且大径向力的带输入轴伺服转向器,可定制四向出轴

  • 减速比

    1

  • 额定扭矩

    20-900 Nm

  • 回程间隙

    10 arcmin

  • 输入转数

    1000-2000 rpm

  • 径向力

    1100-19500 N

结构尺寸

BPTS系列高精密伺服转向器

一款高精度且双锥形轴承支撑的轴输入转向器,精度≤5arcmin

  • 减速比

    2-5

  • 额定扭矩

    9.5-1200 Nm

  • 回程间隙

    6 arcmin

  • 输入转数

    1000-2000 rpm

  • 径向力

    1100-24100 N

结构尺寸

BPTAW系列直角行星减速器

拥有高效率、高刚性和多输出型式为一体,减速比1-250,精度3~10弧分

  • 减速比

    3-100

  • 额定扭矩

    13-1200 Nm

  • 回程间隙

    3-10 arcmin

  • 输入转数

    2000-3000 rpm

  • 径向力

    1100-19500 N

结构尺寸

BPTSM系列高精密伺服直角减速机

此款高精密伺服转向器,法兰输入,减速比1~10,背隙≤4 arcmin

  • 减速比

    2-10

  • 额定扭矩

    9.5-2150 Nm

  • 回程间隙

    4-6 arcmin

  • 输入转数

    2000 rpm

  • 径向力

    1100-45000 N

结构尺寸

BPTSW系列高精密伺服直角减速器

一款高精度、高扭矩和多种输出型式为一体的直角减速器,减速比6-250,精度≤3弧分

  • 减速比

    6-300

  • 额定扭矩

    9.5-2150 Nm

  • 回程间隙

    3-10 arcmin

  • 输入转数

    2000-4500 rpm

  • 径向力

    1100-45000 N

结构尺寸

快速联系我们

您有任何关于自动化配件与自动化系统解决方案的疑问,联系:400-886-9228 邮件:sales@bupermann.com

*请认真填写需求信息,我们会在24小时内与您取得联系。

联系表

我们会尽快给您答复。

联系表

联系我们

服务需求

400-886-9228

工作日8:30-17:30

给我们发电子邮件

服务需求

sales@bupermann.com

巴普曼工业科技(广东)有限公司

  • 广东省东莞市东城区莞长路东城段49号东科科技产业园1栋

  • +86 (0769) 2288 5382

  • +86 (0769) 2202 3909

  • sales@bupermann.com

© 2017 Bupermann Industrial Technology (GuangDong) Co., Ltd. 版权所有 巴普曼工业科技(广东)有限公司 法律申明 站点地图 粤ICP备17077810号-3