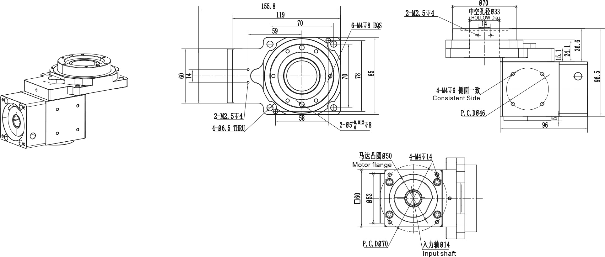
| 技术参数 | 单位 | BPHNR060 | BPHNR085 | BPHNR130 | BPHNR200 | ||||
|---|---|---|---|---|---|---|---|---|---|
| 旋转平台轴承 | 交叉滚子轴承 | ||||||||
| 减速比 | 10/15/25/20/30/50 | 10/15/25/20/30/50 | 20/30/50 | 20/30/50 | |||||
| 容许转矩 | 4 | 20 | 52 | 90 | |||||
| 转动惯量 | kg.m² | 4300*10-6 | 2500*10-6 | 15870*10-6 | 108150*10-6 | ||||
| 容许转速 | r/min | 200 | |||||||
| 容许惯性载重 | NM | 20 | 45 | 130 | 216 | ||||
| 容许轴向载重 | NM | 200 | 500 | 2000 | 4000 | ||||
| 定位精度 | arcmin | 0.5 | |||||||
| 重复定位精度 | arcsec | ±10 | |||||||
| 旋转平台台面偏差 | mm | 0.005 | |||||||
| 旋转平台平行度 | mm | 0.015 | |||||||
| 旋转平台同心度 | mm | 0.01 | |||||||
| 精度寿命 | h | 20000 | |||||||
| 防护等级 | IP40 | ||||||||
| 重量 | Kg | 2.3 | 2.3 | 4.2 | 13 | ||||




行业应用
更多可用的中空旋转平台
工具或服务
快速联系我们
您有任何关于自动化配件与自动化系统解决方案的疑问,联系:400-886-9228 邮件:sales@bupermann.com
*请认真填写需求信息,我们会在24小时内与您取得联系。
产品中心
应用
巴普曼工业科技(广东)有限公司
广东省东莞市东城区莞长路东城段49号东科科技产业园1栋
+86 (0769) 2288 5382
+86 (0769) 2202 3909
sales@bupermann.com
© 2017 Bupermann Industrial Technology (GuangDong) Co., Ltd. 版权所有 巴普曼工业科技(广东)有限公司 法律申明 站点地图 粤ICP备17077810号-3